Описание
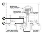
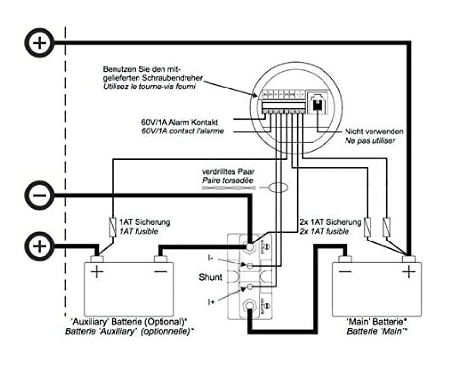
Монитор состояния аккумуляторной батареи BattMan Pro (10267570). Монитор состояния аккумуляторной батареи BattMan Lite/BattMan Pro. Позволяет отслеживать состояние двух аккумуляторных батарей. Отображает напряжение, ампераж, емкость батарей в ампер-часах и в процентах. Имеет функцию сигнализации о разряже батареи до критического уровня. Версия Pro отличается от Lite наличием памяти, что позволяет прибору накапливать информацию и расчитывать на ее базе ориентировочное время, в течение которого аккумуляторная батарея будет способна отдавать ток без подзарядки. Кроме того, это позволяет оценить параметры аккумуляторной батареи в предыдущие периоды времени.Напряжение питания: 9-35 В.Максимальный измеряемый ток: 500 А.Потребляемый ток с выключенной подсветкой: 8 mA/12 В, 6 mA/24 В.Потребляемый ток с включенной подсветкой: 30 mA/12 В, 18 mA/24 В.Точность измерения напряжения: +/- 0,3 %.Точность измерения тока: +/- 0,4 %Класс защиты: IP 65.Производитель: "Mastervolt", Нидерланнды.
Показать полностью
Свернуть
Характеристики
Бренд_85
Mastervolt
Страна-изготовитель
Германия
ТН ВЭД коды ЕАЭС
3926909709 - Изделия прочие из пластмасс и изделия из прочих материалов товарных позиций 3901 - 3914, прочие, прочие, прочие, прочие
Вес с упаковкой, г
380
Отзывы
Отзывов еще никто не оставлял
