Описание
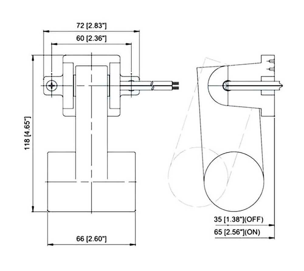
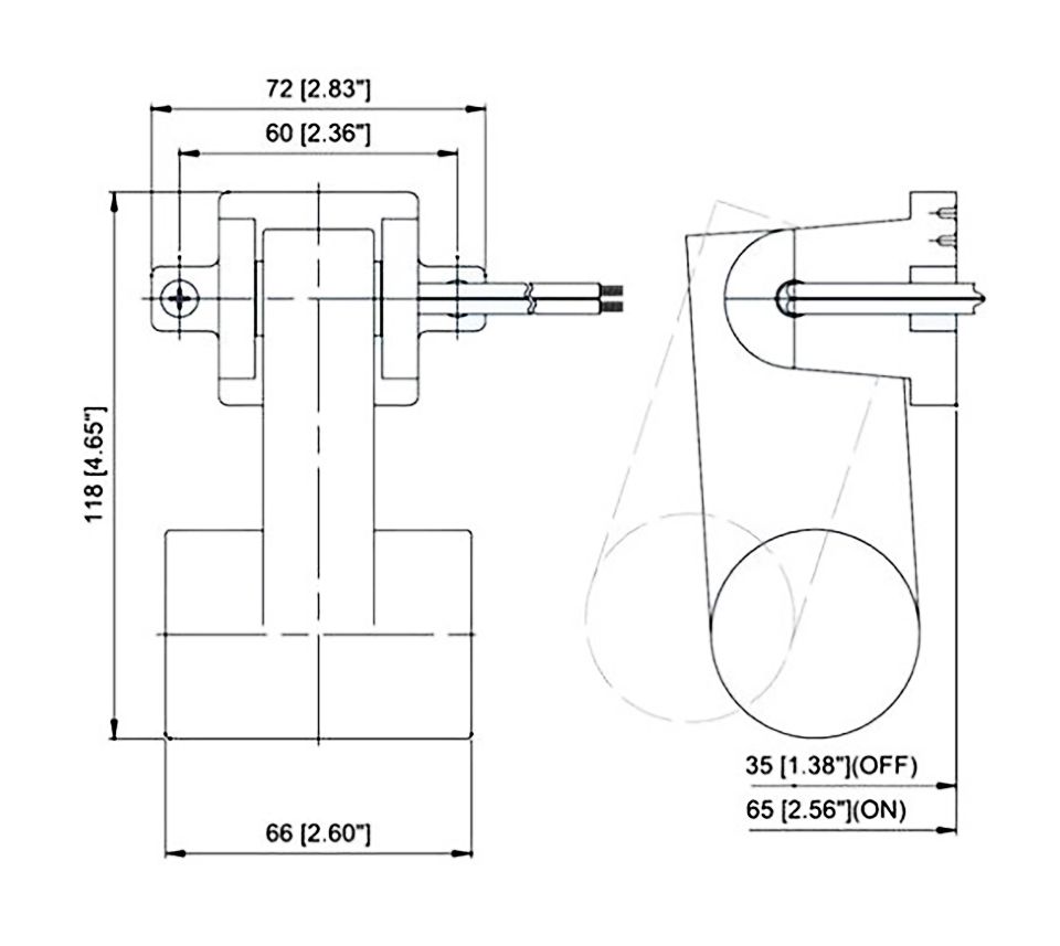
Поплавковый выключатель для трюмных помп, "ТМС" (10014954). Поплавковый выключатель для управления работой трюмной помпы и(или) включения аварийной сигнализации. Обеспечивает автоматическое включение и выключение трюмной помпы, аварийной сигнализации или того и другого одновременно в зависимости от уровня воды в месте установки выключателя. Используется со всеми видами трюмных помп. Используя несколько выключателей, установленных на разных уровнях, можно создавать автоматические осушительные системы из нескольких помп (к примеру, из основной и резервной, включающейся, если не справляется основная). Один выключатель может управлять работой нескольких соединенных параллельно помп (суммарный ток не должен превышать указанное номинальное значение). Выключатель изготовлен из коррозионно-стойких материалов и имеет взрывозащищенную конструкцию.
Подключение к помпам, потребляющим ток более 15А, должно производиться через следующие панели управления с реле.
Размеры: 116*72 мм. Номинальный ток: 10 А. Производитель: "TMC", Тайвань.
Показать полностью
Свернуть
Характеристики
Бренд_85
tmc
Вид аксессуара, комплектующего для судов
Выключатель поплавковый
Страна-изготовитель
Китай (Тайвань)
Вес с упаковкой, г
200
Отзывы
Отзывов еще никто не оставлял
