Описание
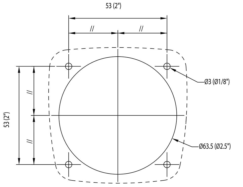
Пульт управления подруливающим устройством, GEN II (10263365). Новое поколение пультов управления подруливающими устройствами Lewmar. Защита от случайного включения - электронная. Функция автоматической задержки при переключении направления вращения подруливающего устройства предотвращает повреждение двигателя, редуктора и гребного винта. При установке взамен пульта № 10242876 или джойстика не требует изменения монтажного отверстия. Универсальное питание 12/24 В. Многофункциональный светодиодный индикатор отображает состояние системы, режим работы подруливающего устройства, а также сигнализирует о пониженном напряжении или перегреве электромотора.
Внимание! Совместим с подруливающими устройствами Lewmar второго поколения (Gen II - с синими блоками управления) мощностью от 2,2 кВт и выше. Для установки на подруливающие устройства первого поколения (с черными блоками управления) требуется приобрести конвертер (арт. 10263775). Подруливающее устройство Lewmar мощностью 2 кВт требует джойстика с механической блокировкой (арт. 10242878).
Производитель: "Lewmar", Англия.
Показать полностью
Свернуть
Характеристики
Бренд_85
Lewmar
Страна-изготовитель
Великобритания
ТН ВЭД коды ЕАЭС
3926909709 - Изделия прочие из пластмасс и изделия из прочих материалов товарных позиций 3901 - 3914, прочие, прочие, прочие, прочие
Вес с упаковкой, г
180
Отзывы
Отзывов еще никто не оставлял
