Описание
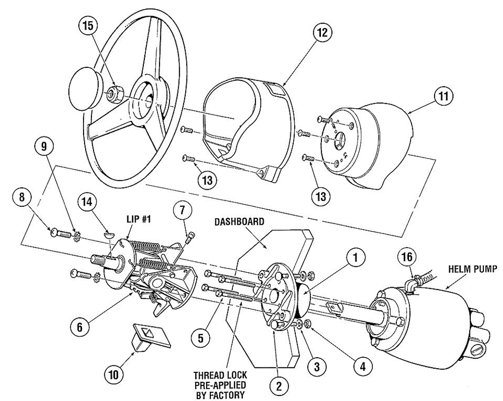
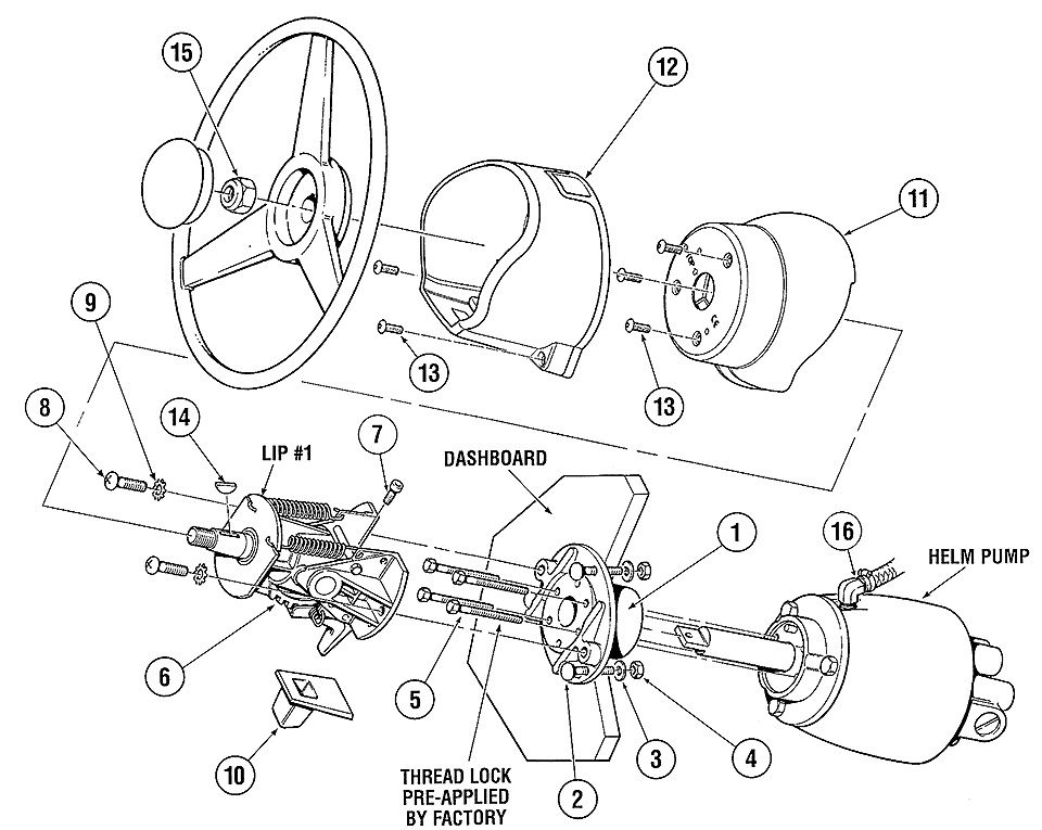
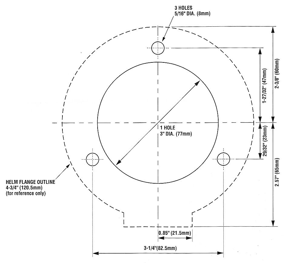
Рулевая машинка Baystar Sport 1,4 Tilt (10248092). Рулевая машинка (гидронасос) "Baystar 1.4 Tilt" (HH4315) с механизмом регулировки наклона рулевого колеса (встроенный, отдельно приобретать не требуется). Совместима с любыми гидравлическими шлангами "BayStar", независимо от года выпуска. С гидроцилиндрами "BayStar" обеспечивает редукцию 4,5-4,8.
Объем: 23 см3 Производитель: "SeaStarSolutions" (ранее "Teleflex"), Канада.
Показать полностью
Свернуть
Характеристики
Бренд_85
SeaStarSolutions
Вид аксессуара, комплектующего для судов
Гидравлическое рулевое управление
Страна-изготовитель
Канада
ТН ВЭД коды ЕАЭС
3926909709 - Изделия прочие из пластмасс и изделия из прочих материалов товарных позиций 3901 - 3914, прочие, прочие, прочие, прочие
Вес с упаковкой, г
6585
Отзывы
Отзывов еще никто не оставлял
